Description
DKV A28H/Y Spring Full-Lift Safety Valve
The DKV A28H/Y spring full-lift safety valve is designed for equipment and pipelines operating at temperatures up to 200°C. It is suitable for air, steam, water, hydrogen-oxygen mixtures, and other non-corrosive media. This valve provides reliable overpressure protection and ensures safe and stable operation of the system.
DKV A28W-P/R Spring Full-Lift Safety Valve
The DKV A28W-P/R spring full-lift safety valve is suitable for equipment and pipelines handling corrosive media at temperatures up to 200°C. It serves as an effective overpressure protection device, ensuring long-term safety and reliability even in demanding environments.
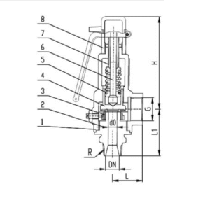
Outline and Connecting Measurememt

Material for main parts
|
NO |
Name of Part |
A28H-C/A28F,KA28Y-C Material |
A28W-P/A28F-P /KA28Y-P Material |
A28Y-R Materials |
|
1 |
Body |
HT350 |
304 |
316 |
|
2 |
Nozzle |
35 |
304 |
316 |
|
3 |
Adjust ring |
2Cr13 |
304 |
316 |
|
4 |
Disc |
2Cr13 |
304 |
316 |
|
5 |
Spring |
50CrVA |
50CrVA coated teflon |
50CrVA coated teflon |
|
6 |
Stem |
2Cr13 |
2Cr13 |
304 |
|
7 |
Adjusting Bolt |
45 |
2Cr13 |
304 |
|
8 |
Cap |
ZG200-400 |
ZG200-400 |
304 |
Dimensions(mm)
|
DN |
do |
Rc |
L |
L1 |
G |
H |
|
15 |
10 |
1/2″ |
37 |
65 |
3/4″ |
196 |
|
20 |
12 |
3/4″ |
40 |
70 |
1″ |
215 |
|
25 |
15 |
1″ |
45 |
78 |
1 1/4″ |
234 |
|
32 |
20 |
1 1/4″ |
55 |
90 |
1 1/2″ |
302 |
|
40 |
25 |
1 1/2″ |
67 |
105 |
2″ |
326 |
|
50 |
32 |
2″ |
76 |
115 |
2 1/2″ |
348 |
|
65 |
40 |
2 1/2″ |
110 |
145 |
3″ |
370 |
|
80 |
50 |
3″ |
110 |
145 |
4″ |
410 |













