Description
H42W Flanged Lift Check Valve
The H42W Flanged Lift Check Valve is designed to allow liquid or air to flow in only one direction, effectively preventing backflow in piping systems. Its flanged connection ensures secure installation in high-pressure pipelines.
Constructed from durable materials, this valve provides reliable, long-term performance with minimal maintenance. Choosing the correct type, size, and specification of H42W ensures smooth, trouble-free operation and efficient energy use across industrial applications.
Key Features:
-
Type: Flanged Lift Check Valve
-
Function: Prevents backflow, ensures one-way flow
-
Connection: Flanged for secure, high-pressure applications
-
Durable construction for long-term reliability
-
Applications: Water supply, HVAC, chemical, and industrial systems
| Part name | Material |
| Valve body,disc、bracket.pressurelate | Stainless Steel |
| Locating | Copper alloy |
| Valve stem | Stainless Steel |
| Sealing | PTFE、Rubber |
Performance Specifications
| Type | Nominal Pressure (MPa) |
Test pressure | Working Temperature ℃ |
Suitable Mediums | |
| Strength (water)(MPa) | Sealed (water)(MPa) | ||||
| H41W-16 | 1.6 | 2.4 | 1.8 | ≤150 | steam、water,oil |
| H41W-16 | 1.6 | 2.4 | 1.8 | ≤80 | water、oil |
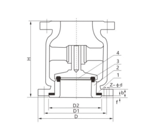
Outline and Connecting Measurememt

Body material: Stainless Steel 304/316
Size: DN15-DN300
Mounting Position: Horizontal
Connection: Flange
Pressure range: 1.6-6.4MPa
Temperature range: -29 to 425°C
Application: Water, Oils, Gas etc.
| Number | Spare parts | Main materials |
| 1 | Valve body | WCB CF8 CF8M CF3 CF3M |
| 2 | Valve cover | WCB CF8 CF8M CF3 CF3M |
| 3 | Valve disc | WCB+D507 CF8 CF8M CF3 CF3M |
| 4 | Bonnet gasket | 3WCB + D507 CF8 CF8M CF3 CF3M |
| Type | DN | L | D | D1 | D2 | b | z-Φd |
| H41W-16P(R) | 15 | 85 | 95 | 65 | 45 | 16 | 4-Φ14 |
| 20 | 95 | 105 | 75 | 55 | 16 | 4-Φ14 | |
| 25 | 105 | 106 | 85 | 65 | 16 | 4-Φ14 | |
| 32 | 150 | 126 | 100 | 78 | 16 | 4-Φ18 | |
| 40 | 160 | 138 | 110 | 88 | 18 | 4-Φ18 | |
| 50 | 170 | 155 | 125 | 100 | 20 | 4-Φ18 | |
| 65 | 180 | 175 | 145 | 120 | 22 | 8-Φ18 | |
| 80 | 200 | 200 | 160 | 135 | 22 | 8-Φ18 | |
| 100 | 210 | 210 | 190 | 160 | 24 | 8-Φ23 | |
| 125 | 275 | 240 | 220 | 188 | 28 | 8-Φ25 | |
| 150 | 300 | 280 | 250 | 218 | 30 | 8-Φ25 | |
| 200 | 380 | 330 | 310 | 278 | 34 | 12-Φ25 | |
| 250 | 400 | 405 | 355 | 320 | 36 | 12-Φ25 | |
| 300 | 420 | 460 | 410 | 375 | 38 | 16-Φ25 |
Product Details














