Description
The DKV globe valve series is available in sizes from ½” to 24″ and complies with ANSI Pressure Class 150# to 1500# standards.
Manufactured from carbon steel, stainless steel, brass, or cast iron, these valves can be equipped with spring return, non-spring return, or electronic fail-safe actuators to suit different operational needs.
With options for NPT/BSP threaded or flanged end connections, DKV globe valves deliver versatility, reliability, and durability for a wide range of industrial applications.
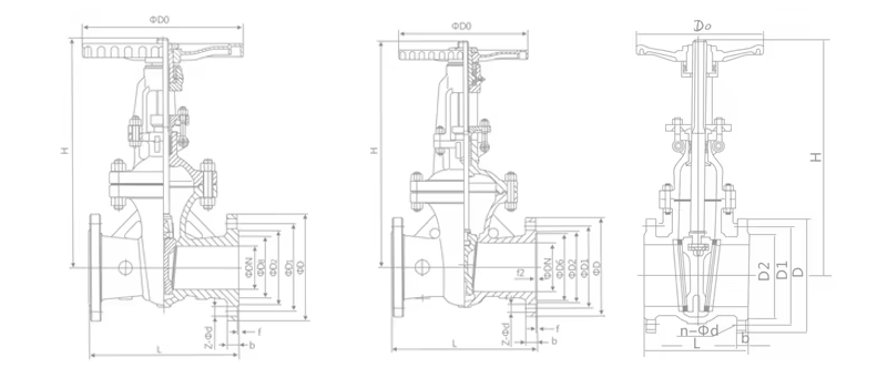
Outline and Connecting Measurememt
Body material: Stainless Steel
Size: DN15-DN300
Connection: DIN Flange
Pressure range: CLASS150/300/600
Temperature range: -10 to 400C
Application: Steam, Water, Gas, Oil, Air
| Inch | Size(mm) | ||||||||
| DN | L | D | D1 | D2 | b | Z-Фd | H | D0 | |
| 1/2” | 15 | 108 | 89 | 60.5 | 35 | 12 | 4-Ф15 | 155 | 120 |
| 3/4” | 20 | 117 | 98 | 70 | 43 | 12 | 4-Ф15 | 160 | 120 |
| 1” | 25 | 12 | 108 | 79.5 | 51 | 12 | 4-Ф15 | 200 | 140 |
| 1-1/4” | 32 | 140 | 117 | 89 | 64 | 12 | 4-Ф15 | 245 | 160 |
| 1-1/2” | 40 | 165 | 127 | 98.5 | 73 | 13 | 4-Ф15 | 285 | 180 |
| 2” | 50 | 178 | 152 | 120.5 | 92 | 15 | 4-Ф15 | 315 | 200 |
| 2-1/2” | 65 | 190 | 178 | 139.5 | 105 | 16 | 4-Ф19 | 375 | 220 |
| 3” | 80 | 203 | 190 | 152.5 | 127 | 18 | 4-Ф19 | 400 | 240 |
| 4” | 100 | 229 | 229 | 190.5 | 157 | 19 | 4-Ф19 | 460 | 280 |
| 5” | 125 | 254 | 254 | 216 | 186 | 24 | 8-Ф19 | 540 | 300 |
| 6” | 150 | 267 | 279 | 241.5 | 216 | 26 | 8-Ф22 | 620 | 320 |
| 8” | 200 | 292 | 343 | 298.5 | 270 | 29 | 8-Ф22 | 800 | 400 |
| 10” | 250 | 330 | 406 | 362 | 324 | 31 | 12-Ф25 | 850 | 450 |
| 12” | 300 | 356 | 483 | 432 | 381 | 32 | 12-Ф25 | 1000 | 500 |
Item | Globe Value |
Application | General |
Place of Origin | China |
Power | Manual |
Customized Support | OEM, ODM |
Port Size | DN15- DN300 |
Warranty | 1 year |
Temperature of Media | Medium Temperature |
Brand Name | DKV |
Media | Steam |
Body Material | Stainless Steel 304/316L; WCB |
Connection | Flange |
Medium | Water,Oil,Steam |
Size | DN15-300 |
Working Pressure | CL150~2500Lb, PN1.6~16MPa |
Work Temperature | -29~+425℃(WCB), -40~+200℃(SS) |
Product Details













